|
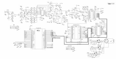
Проект цифрового осциллографа
Параметры:
Частота дискретизации: 40 МГц
Полоса: 10 Мгц
Входые параметры: 1МОм, 30пФ
Макс. чувствительность: 50мВ/дел
Дисплей от Siemens x65(LPH8836)
CPLD: Altera EPM7064SLC44-10
SRAM: w24512-15
MCU: ATmega64



Все одним архивом - печатная плата,прошивка скачать.



|